LOG IN
REGISTER
Forums
Ford Mustang Chat
Introductions
Free Owners Manual Pdf's/Genuine Ford Accessory Instructions
Various Curated Content Articles
Mustang Museum of America
Road Trips
General Mustang Chat
Vendor Showcase
Mustang by Model Year
2024+ Ford Mustang General Discussion Forum
2015 - 2023 MUSTANG
2010-2014 Mustang
2005-2009 Mustang
SN95 Mustang
Fox Mustangs
1974-1978 Mustang II
1971-1973 Mustang
1964-1970 Mustang
Mustang EVs
Mustang Mach-E Owner Introductions
Curated Content Articles Mach-E
Mustang Mach E
Mustang Community
Regional Chat
Auto Shows and Events
Mustang Motorsports
The Marketplace
Resources
VIN Decoder
Tire, Rim, and Offsets Width Calc
Tire and Wheel Tech
Car Care
General Chat
Ford Discussions
General Vehicle Discussion/News
Which is Better
SEMA Action Network
Motorsports
Off-Topic Chatter
The Mustang Source News
THE MUSTANG SOURCE 20 YEAR ANNIVERSARY FORUM! 1-29-2004 / 1-29-2024
Announcements
Testing, Help, Site Feedback and Suggestions
News
Marketplace
Vendor Directory
Become a Vendor
Site Store
New Posts
Tools
Car Payment Calculator
Tire Rim Calculator
Recalls
Technical Service Bulletins (TSBs)
Members List
Live Feed
Gallery
View Dark Mode
Please register or login to enable Dark Mode.
Log In
Register
Threads
Google
Threads
Posts
Advanced
The Mustang Source - Ford Mustang Forums
View First Unread
Thread Tools
Search this Thread
Log In
|
Register
Dark Mode
Please register or login to enable Dark Mode.
Contact Us
Your Privacy Choices
Manage Preferences
Archive
Advertising
Cookie Policy
Privacy Statement
Terms of Service
Affiliate Disclosure
When you click on links to various merchants on this site and make a purchase, this can result in this site earning a commission. Affiliate programs and affiliations include, but are not limited to, the eBay Partner Network.
×
Log In
Forgot your Password?
By logging into your account, you agree to our
Terms of Use
and
Privacy Policy
, and to the use of cookies as described therein.
The Mustang Source - Ford Mustang Forums
Mustang by Model Year
Fox Mustangs
Replacing rear window motor in '90 'vert....
Fox Mustangs
1979-1993 Mustangs Member Tech & Restoration Discussion
Community Links
Social Groups
Pictures & Albums
Members List
Search Forums
Show Threads
Show Posts
Tag Search
Advanced Search
Find All Liked Posts
Go to Page...
Replacing rear window motor in '90 'vert....
Reply
Subscribe
Thread Tools
Search this Thread
Jun 25, 2012 | 06:46 AM
Share
Share Options
#
1
89FivePointOhLX
Thread Starter
GT Member
Joined:
May 29, 2004
Posts:
118
Likes:
0
From:
Sandusky, OH
Replacing rear window motor in '90 'vert....
Need to replace the passenger side rear window motor in my '90 convertible, what is involved in this project? Thanks
Reply
0
0
89FivePointOhLX
View Public Profile
Find More Posts by 89FivePointOhLX
Jun 25, 2012 | 12:25 PM
Share
Share Options
#
2
05stangkc
Administrator clevparts@aol.com
Joined:
November 27, 2004
Posts:
12,560
Likes:
4,311
From:
Visalia Ca.
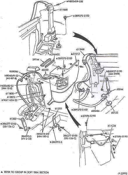
These Should Help!
KC
Attached Thumbnails
Reply
0
0
05stangkc
View Public Profile
Visit 05stangkc's homepage!
Find More Posts by 05stangkc
Reply
Subscribe
Related Topics
Thread
Thread Starter
Forum
Replies
Last Post
Mustang 3.5L Ecoboost engine swap
Ecostang
'10-14 V6 Modifications
1661
Nov 3, 2022
08:50 PM
2015 Mustang Premium Speakers
MartinM
GT
1
Sep 19, 2015
02:11 PM
Super Annoying sound out of driver window
lakersfreak
Repair and Service Help
6
Aug 12, 2015
01:52 PM
new rear main seal only held for 260 miles
Rot Manik
1994-2004 V-8
4
Aug 6, 2015
05:26 PM
Hi from Corsica
Sylvain
Introductions
18
Jul 16, 2015
04:34 PM
Back to Subforum
Fox Mustangs
View Next Unread
Heat doesnt work
Thread Tools
Show Printable Version
Email this Page
Search this Thread
Advanced Search
Thread Tools
Show Printable Version
Email this Page
Advanced Search
Reply
Closed Thread
Share
Facebook
Twitter
Reddit
First
Prev
1
/
1
Next
Last
1
All times are GMT -6. The time now is
03:38 AM
.